
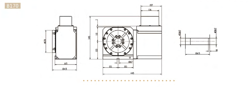
B170參數表 | 外觀 | ||||||
項目/型號 | B170 |
| |||||
工作盤尺寸(mm) | Φ170 | ||||||
中心高(mm) | 135 | ||||||
中心孔徑/基準孔徑(mm) | 50H7 | ||||||
盤面T型槽尺寸(mm) | 12H7 | ||||||
基準定位鍵(mm) | 18H7 | ||||||
使用馬達 | 發那科 | aiF4 | |||||
三菱 | F104 | ||||||
減速比 | 1:60 | ||||||
剎車油壓壓力(kgf) | 35 | ||||||
分割精度(sec) | ±15 | ||||||
重復精度(sec) | 8 | ||||||
容許承重(kg) | 垂直 | 80 | |||||
水平 | 160 | ||||||
B200參數表 | ![]() | ||||||
項目/型號 | B200 | ||||||
工作盤尺寸(mm) | Φ200 | ||||||
中心高(mm) | 160 | ||||||
中心孔徑/基準孔徑(mm) | 50H7 | ||||||
盤面T型槽尺寸(mm) | 12H7 | ||||||
基準定位鍵(mm) | 18H7 | ||||||
使用馬達 | 發那科 | aiF4 | |||||
三菱 | F104 | ||||||
減速比 | 1:60 | ||||||
剎車油壓壓力(kgf) | 35 | ||||||
分割精度(sec) | ±15 | ||||||
重復精度(sec) | 8 | ||||||
容許承重(kg) | 垂直 | 100 | |||||
水平 | 200 | ||||||
B250參數表 | ![]() | ||||||
項目/型號 | B250 | ||||||
工作盤尺寸(mm) | Φ250 | ||||||
中心高(mm) | 160 | ||||||
中心孔徑/基準孔徑(mm) | 50H7 | ||||||
盤面T型槽尺寸(mm) | 12H7 | ||||||
基準定位鍵(mm) | 18H7 | ||||||
使用馬達 | 發那科 | aiF8 | |||||
三菱 | HF154 | ||||||
減速比 | 1:60 | ||||||
剎車油壓壓力(kgf) | 35 | ||||||
分割精度(sec) | ±15 | ||||||
重復精度(sec) | 8 | ||||||
容許承重(kg) | 垂直 | 100 | |||||
水平 | 200 | ||||||
B250參數表 | ![]() | ||||||
項目/型號 | B250 | ||||||
工作盤尺寸(mm) | Φ250 | ||||||
中心高(mm) | 210 | ||||||
中心孔徑/基準孔徑(mm) | 50H7 | ||||||
盤面T型槽尺寸(mm) | 12H7 | ||||||
基準定位鍵(mm) | 18H7 | ||||||
使用馬達 | 發那科 | aiF8 | |||||
三菱 | HF154 | ||||||
減速比 | 1:60 | ||||||
剎車油壓壓力(kgf) | 35 | ||||||
分割精度(sec) | ±15 | ||||||
重復精度(sec) | 8 | ||||||
容許承重(kg) | 垂直 | 100 | |||||
水平 | 200 | ||||||
B320參數表 | ![]() | ||||||
項目/型號 | B320 | ||||||
工作盤尺寸(mm) | Φ320 | ||||||
中心高(mm) | 210 | ||||||
中心孔徑/基準孔徑(mm) | 90H7 | ||||||
盤面T型槽尺寸(mm) | 14H7 | ||||||
基準定位鍵(mm) | 18H7 | ||||||
使用馬達發那科 | aiF12 | ||||||
HF204 | |||||||
使用馬達西門子 | 1FK7083 | ||||||
減速比 | 1:60 | ||||||
剎車油壓壓力(kgf) | 35 | ||||||
分割精度(sec) | ±13 | ||||||
重復精度(sec) | 6 | ||||||
容許承重(kg) | 垂直 | 180 | |||||
水平 | 350 | ||||||
B500參數表 | ![]() | ||||||
項目/型號 | B500 | ||||||
工作盤尺寸(mm) | Φ500 | ||||||
中心高(mm) | 310 | ||||||
中心孔徑/基準孔徑(mm) | 180H7 | ||||||
盤面T型槽尺寸(mm) | 18H7 | ||||||
基準定位鍵(mm) | 18H7 | ||||||
使用馬達 | 發那科 | aiF12 | |||||
三菱 | HF204 | ||||||
減速比 | 1:120 | ||||||
剎車油壓壓力(kgf) | 35 | ||||||
分割精度(sec) | ±15 | ||||||
重復精度(sec) | 6 | ||||||
容許承重(kg) | 垂直 | 350 | |||||
水平 | 800 | ||||||
B630參數表 | ![]() | ||||||
項目/型號 | B630 | ||||||
工作盤尺寸(mm) | Φ630 | ||||||
中心高(mm) | 365 | ||||||
中心孔徑/基準孔徑(mm) | 220H7 | ||||||
盤面T型槽尺寸(mm) | 18H7 | ||||||
基準定位鍵(mm) | 18H7 | ||||||
使用馬達 | 發那科 | aiF22 | |||||
三菱 | HF354 | ||||||
減速比 | 1:120 | ||||||
剎車油壓壓力(kgf) | 35 | ||||||
分割精度(sec) | ±15 | ||||||
重復精度(sec) | 6 | ||||||
容許承重(kg) | 垂直 | 500 | |||||
水平 | 1200 | ||||||




